Progetto di elettronica abbastanza complesso

Pubblicità
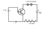
Ho un problema, o meglio, non riesco a capire come far funzionare questo:
Immagine.webp
Prima di tutto, il collegamento contrassegnato col punto di domanda è giusto?
Il problema è che sia che il BJT sia alimentato sia che non lo sia i LED rimangono comunque accesi nello stesso modo, e staccando/collegando l'alimentazione al BJT non cambia nulla nella loro intensità, che comunque è molto più bassa di quello che dovrebbe essere.
Cosa può essere?
Ho sbagliato il modello di BJT?
 
Qual è la tensione di forward Vf (tensione ai capi del led quando è illuminato) dei led ? :look:
Ricorda, inoltre, che nei classici led il piedino più lungo è l'anodo (+) mentre il piedino più corto è il catodo (-), nel circuito vanno inseriti correttamente :sisi:
 
Ultima modifica da un moderatore:
Qual è la tensione di forward Vf (tensione ai capi del led quando è illuminato) dei led ? :look:
Ricorda, inoltre, che nei classici led il piedino più lungo è l'anodo (+) mentre il piedino più corto è il catodo (-), nel circuito vanno inseriti correttamente :sisi:
Cosa intendi?
I LED sono dei 2.2V da 20mA ciascuno posizionati in serie (http://www.conrad.it/ce/it/product/...-Avago-Technologies-HLMP-K640/SHOP_AREA_17640) e con ledcalc.com ho trovato il valore necessario della resistenza per alimentarli a 5V (mi pare fosse di 30 ohm e la più vicina che avevo è la 27 ohm)
Per catodo e anodo ho già sperimentato, buttando 15 minuti di tempo per cercare di capire che avevo sbagliato il verso.
Ho notato ora del casino che ho fatto nello schema nello scrivere i dettagli del LED, ma il resto sembra corretto.
Visto che in base al tipo del BJT (che ho scritto sopra) c'è una differenza in dove posizionare il carico proverò a spostare qualcosa.
 
I diodi hanno alcune caratteristiche elettriche, tra cui la tensione di forward Vf (forward voltage), che corrisponde alla tensione diretta corrispondente alla corrente If=20mA, la corrente inversa Ir (reverse current) e il tempo di ripristino inverso Trr, per la commutazione da conduzione a interdizione :asd:
Nei diodi LED le tensioni dirette Vf in conduzione dipendono, come sai, dal colore della luce emessa: ad es. alla Vf=2.2V corrisponde il colore verde e così via.
Nei LED in serie si sommano le tensioni dirette parziali e quindi mettendone due in serie si avrà Vf=2.2*2=4.4V.
Quindi la resistenza che dovrai mettere in serie ai led sul carico del collettore sarà, come hai detto, R=(5-4.4)/0.02=30 ohm.
Ciao :ciaociao:
 
Puoi utilizzare anche la seguente configurazione ad emettitore comune con polarizzazione della base a partitore R1-R2 e resistore Re di feedback sull'emettitore per la stabilizzazione della deriva termica, funzionante a singola alimentazione:



Sappiamo che la tensione sulla base Vb dipende dai resistori R1 e R2 del partitore di tensione.
Dalla formula del partitore di tensione ci ricaviamo quindi Vb=Vcc*R2/(R1+R2).
Sapendo che Vbe è di circa 0.6-0.7V per i BJT al silicio, posso ricavarmi la tensione sull'emettitore Ve=Vb-Vbe=Vb-0.7.
Con la legge di Ohm mi calcolo la corrente sull'emettitore: Ie=Ve/Re.
Dalla teoria sui transistor sappiamo che Ic è praticamente uguale a Ie per cui la corrente che attraversa il LED è costante e pari a: Ic=Ie=Ve/Re=(Vb-Vbe)/Re.
A presto :ciaociao:

P.S. Devi tenere conto della dissipazione di potenza sulla resistenza d'emettitore: Pre=(Ic)^2*Re. Teoricamente la Re dovrebbe essere abbastanza piccola.
Il problema è che i transistor sono componenti sensibili alla temperatura, dobbiamo tenere conto dei fenomeni di "fuga" termica e delle dispersioni delle caratteristiche. La corrente Ic aumenta all'aumentare della temperatura, la Re attua una retroazione negativa ma la compensazione è insufficiente.
Poi devi considerare anche la potenza dissipata dal BJT: Vce=Vcc-Vf(led)-Ve, da cui Pbjt=Vce*Ic.
Ricorda, infine, che la corrente di base deve essere da 10 a 100 volte più piccola della corrente che fluisce attraverso il partitore di tensione: Ir1r2=Vcc/(R1+R2), per cui la condizione sarà Ibmin<Ir1r2/100 (oppure 1/10 di Ir1r2) :ciaociao:
 
Puoi utilizzare anche la seguente configurazione ad emettitore comune con polarizzazione della base a partitore R1-R2 e resistore Re di feedback sull'emettitore per la stabilizzazione della deriva termica, funzionante a singola alimentazione:



Sappiamo che la tensione sulla base Vb dipende dai resistori R1 e R2 del partitore di tensione.
Dalla formula del partitore di tensione ci ricaviamo quindi Vb=Vcc*R2/(R1+R2).
Sapendo che Vbe è di circa 0.6-0.7V per i BJT al silicio, posso ricavarmi la tensione sull'emettitore Ve=Vb-Vbe=Vb-0.7.
Con la legge di Ohm mi calcolo la corrente sull'emettitore: Ie=Ve/Re.
Dalla teoria sui transistor sappiamo che Ic è praticamente uguale a Ie per cui la corrente che attraversa il LED è costante e pari a: Ic=Ie=Ve/Re=(Vb-Vbe)/Re.
A presto :ciaociao:

P.S. Devi tenere conto della dissipazione di potenza sulla resistenza d'emettitore: Pre=(Ic)^2*Re. Teoricamente la Re dovrebbe essere abbastanza piccola.
Il problema è che i transistor sono componenti sensibili alla temperatura, dobbiamo tenere conto dei fenomeni di "fuga" termica e delle dispersioni delle caratteristiche. La corrente Ic aumenta all'aumentare della temperatura, la Re attua una retroazione negativa ma la compensazione è insufficiente.
Poi devi considerare anche la potenza dissipata dal BJT: Vce=Vcc-Vf(led)-Ve, da cui Pbjt=Vce*Ic.
Ricorda, infine, che la corrente di base deve essere da 10 a 100 volte più piccola della corrente che fluisce attraverso il partitore di tensione: Ir1r2=Vcc/(R1+R2), per cui la condizione sarà Ibmin<Ir1r2/100 (oppure 1/10 di Ir1r2) :ciaociao:
Sono ancora vivo!
Senza usare il Raspberry Pi c'è qualche alternativa per costruire un semaforo che accenda dei LED come se fosse un circuito vero?
 
Io avevo trovato anche questo:
TRAFFIC LIGHTS Circuit
Quale può funzionare meglio secondo te?
In teoria dovrebbe funzionare(mi sembra più un progetto per dimostrare le possibilità del circuito che un prodotto realmente assemblato)
Io aggiungerei 2 condensatori poliestere 100 nf tra pin 8 e 1 ,ed un elettrolitico da 100-220 uf sull'alimentazione sostituendo i 2 ne 555 con la versione cmos 7555
 
Io avevo trovato anche questo:
TRAFFIC LIGHTS Circuit
Quale può funzionare meglio secondo te?

In realtà non c'è uno schema che funziona meglio di un altro, alcuni circuiti, come ad es. il "semaforo didattico", utilizzano multivibratori a porte logiche TTL/CMOS, altri usano multivibratori integrati, come ad es. il monostabile 74121 oppure il timer CD4047 oppure ancora il timer 555 :asd: :sisilui:
La cosa importante è capirne la logica di funzionamento, altrimenti si tratta della solita "pappetta scodellata" che non serve a nulla :D
 
Ultima modifica da un moderatore:
In teoria dovrebbe funzionare(mi sembra più un progetto per dimostrare le possibilità del circuito che un prodotto realmente assemblato)
Io aggiungerei 2 condensatori poliestere 100 nf tra pin 8 e 1 ,ed un elettrolitico da 100-220 uf sull'alimentazione sostituendo i 2 ne 555 con la versione cmos 7555

In realtà non c'è uno schema che funziona meglio di un altro, alcuni circuiti, come ad es. il "semaforo didattico", utilizzano multivibratori a porte logiche TTL/CMOS, altri usano multivibratori integrati, come ad es. il monostabile 74121 oppure il timer CD4047 oppure ancora il timer 555 :asd: :sisilui:
La cosa importante è capirne la logica di funzionamento, altrimenti si tratta della solita "pappetta scodellata" che non serve a nulla :D


IMG_20160617_145412.webpIMG_20160617_145504.webpIMG_20160617_145513.webpIMG_20160617_145547.webp

Non si accende il LED giallo!

Per quello che diceva Massimo, come condensatori ho:
-2 da 100uF 16V
-1 da 10uF 35V
-1 da 1000uF 10V
-1 da 4.7uF 35V
-1 da 22uF 20V
-2 con la sigla 222J100
-3 con la sigla 10nK100
Però posso vedere se riesco a recuperare dalle schede madri di alcuni computer dei condensatori, anche se ho provato e col saldatore non si staccano
 
Ultima modifica da un moderatore:
Devi rivedere il modo di fare le saldature.
Sono per la maggiore fredde e sporche, hai per caso usato uno stagno vecchio?
La punta del saldatore l'hai pulita prima di saldare?
La saldature deve essere omogenea e lucida.
Saldature fredde:
saldatura-fredda-g.jpg

Poi...in alcuni punti i cavetti che hai usato, essendo loro sottili, col caldo del saldatore pare si sia ritirata la guaina isolante.
Ho l'impressione che ci siano dei punti dove ci possono essere dei corto circuiti, controlla meglio.
 
Ultima modifica:
Devi rivedere il modo di fare le saldature.
Sono per la maggiore fredde e sporche, hai per caso usato uno stagno vecchio?
La punta del saldatore l'hai pulita prima di saldare?
La saldature deve essere omogenea e lucida.
Saldature fredde:
saldatura-fredda-g.jpg

Poi...in alcuni punti i cavetti che hai usato, essendo loro sottili, col caldo del saldatore pare si sia ritirata la guaina isolante.
Ho l'impressione che ci siano dei punti dove ci possono essere dei corto circuiti, controlla meglio.
Dopo controllo per i corti anche se dubito che sia quello il motivo.
Come saldatore ho preso questo: Saldatore 230 V/AC 25 W Weller SP25N Stilo in vendita online - SP25NEU | Conrad
Il problema è che semplicemente provando a saldare la punta si è annerita e sporcata, per cui sull'intera punta c'è un solo punto dove lo stagno si fonde, mentre per il resto non succede nulla perché credo che la temperatura sia più bassa.
Lo stagno è nuovo, Stannol da 1mm seguendo le misure della guida per saldare.
 
Dopo controllo per i corti anche se dubito che sia quello il motivo.
Come saldatore ho preso questo: Saldatore 230 V/AC 25 W Weller SP25N Stilo in vendita online - SP25NEU | Conrad
Il problema è che semplicemente provando a saldare la punta si è annerita e sporcata, per cui sull'intera punta c'è un solo punto dove lo stagno si fonde, mentre per il resto non succede nulla perché credo che la temperatura sia più bassa.
Lo stagno è nuovo, Stannol da 1mm seguendo le misure della guida per saldare.
Il saldatore va più che bene, lo stagno è di ottima marca, devi solo pulire la punta del saldatore.
La puoi pulire solo a caldo, non farlo da freddo la rovineresti, per pulirla usa una spugna umida, andrà piu che bene, non usare materiali abrasivi, tipo pagliette spugne ruvide.
Per mantenere la punta pulita, ogni tot di saldature puliscila sempre a caldo.
Se puoi ti prendi un supporto come questo: Supporto di sicurezza per saldatore TOOLCRAFT ZD-10 in vendita online - 588306 | Conrad e sei apposto.
 
Ultima modifica:
Pubblicità
Pubblicità
Indietro
Top