Davide2007
Nuovo Utente
- Messaggi
- 4
- Reazioni
- 0
- Punteggio
- 19
Segui il video qui sotto per vedere come installare il nostro sito come web app sulla tua schermata principale.
Nota: Questa funzionalità potrebbe non essere disponibile in alcuni browser.
Pubblicità
Mi diresti per favore come si fa a mettere gli allegati sotto spoiler? GrazieHo editato e messo sotto spoiler, cerca di non dimenticarlo ;)
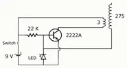
Nel circuito che ho costruito posso variare il voltaggio (da 0V a 30V) e l'amperaggio (da 0A a 5A ) ma non ho pensato a altri sistemi di pilotaggio della bobinaScusa ma cosa usi per pilotare la bobina?
Anni addietro ( molti anni addietro) una rivista di elettronica creo un kit per costruire una bobina di tesla, ti conviene prendere quel kit come base per costruirla.
La rivista in formato PDF è la 189.
Il kit costruito apportando alcune modifiche al progetto originario.
Tesla Coil
digilander.libero.it
