Shinryuken
Nuovo Utente
- Messaggi
- 9
- Reazioni
- 0
- Punteggio
- 24
Ciao. Premetto che è il mio primo assemblaggio :boh:.
Il PC monta un APU AMD A10 5800K con dissipatore Arctic Cooling Freezer A30, scheda madre Gigabyte F2A88XM-HD3, e un modulo RAM da 4GB low profile.
All'accensione del PC: l'hard disk funziona, i led d'accensione PC e quello di attività dell'hard disk sono OK, la ventola del dissipatore è funzionante. Il monitor però non riconosce nessun segnale in ingresso.
In secondo luogo, potrei carpire qualche informazione in più dai beep emessi dallo speaker... ma dove montarlo?
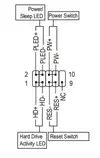
"Storicamente", i pin dello speaker dovrebbero trovarsi sul front panel, che su questa mobo è così fatto:
Vi lascio anche il link all'intero manuale della mobo: http://www.manualrepubliccdn.com/pdf/gigabyte/gigabyte-ga-f2a88xm-hd3-rev-3-0-owner-s-manual.pdf
Please help :help:.
Il PC monta un APU AMD A10 5800K con dissipatore Arctic Cooling Freezer A30, scheda madre Gigabyte F2A88XM-HD3, e un modulo RAM da 4GB low profile.
All'accensione del PC: l'hard disk funziona, i led d'accensione PC e quello di attività dell'hard disk sono OK, la ventola del dissipatore è funzionante. Il monitor però non riconosce nessun segnale in ingresso.
In secondo luogo, potrei carpire qualche informazione in più dai beep emessi dallo speaker... ma dove montarlo?
"Storicamente", i pin dello speaker dovrebbero trovarsi sul front panel, che su questa mobo è così fatto:

Vi lascio anche il link all'intero manuale della mobo: http://www.manualrepubliccdn.com/pdf/gigabyte/gigabyte-ga-f2a88xm-hd3-rev-3-0-owner-s-manual.pdf
Please help :help:.
